ホイール市場において、新たな勢力がその存在感を急速に高めている。OEM製造で培った技術力を背景に、消費者直販(DTC)モデルへと進出したNepest社である。
同社が市場に投じた次世代カーボンホイール「NOVA 35」は、公称重量わずか1180gという数値を掲げ、大きな注目を集めている。本記事は、NOVA 35がなぜ単なる軽量ホイールに留まらないのか、その技術的背景と実走行性能を深く掘り下げていく。
特許取得済みのハブ構造や第4世代VONOAカーボンスポークといった革新的技術が、乗り心地やパフォーマンスにどのような影響を与えるのかを多角的に分析する。
さらに、リムハイトの異なるNOVA 45やNOVA Xとの比較を通じて、それぞれのモデルが持つ特性と最適な用途を明確にする。本記事は、優れた機材を求めるライダーにとって、確かな判断材料を提供することを目的とする。
技術仕様の徹底分析
Nepest NOVA 35の卓越した性能は、個々のコンポーネントに採用された先進技術の集合体である。
リムの設計思想からスポークの素材革新、そしてハブの信頼性に至るまで、全ての要素が緻密に計算されている。ここでは、その核心となる技術仕様を詳細に分解し、それぞれの設計がもたらす機能的な意味を解き明かす。
リム構造と空力設計

NOVA 35のリムは、航空宇宙分野でも使用される東レ製T800カーボンファイバーを素材としている。この素材は、軽量でありながら高い剛性と強度を両立させるための最適な選択肢である。
リム形状は、現代のロードバイクにおけるトレンドを的確に捉えたU字型プロファイルを採用。内幅23mm、外幅30mmというワイド設計は、28Cから47Cまでの幅広いタイヤに最適化されている。

このワイドリムはタイヤを適切に支持し、接地面を広げることで、コーナリング時の安定性やトラクション、そして乗り心地を大幅に向上させる効果がある。
また、リム表面は塗装を施さないペイントレス仕上げとなっており、傷への耐性を高めると同時に、カーボン素材本来の質感を活かしたプレミアムな外観を実現している。さらに、空力性能を追求するため、スポークニップルをリム内部に隠すインナーニップル構造を採用。
これにより、空気抵抗を20%低減するという主張がなされており、細部にまで空力への配慮が見て取れる。
VONOA第4世代カーボンスポーク

NOVAシリーズの技術的ハイライトは、VONOA社製の第4世代カーボンスポークにあると言える。このスポークは、単に軽いだけでなく、ホイール全体の性能特性を根本から変える革新的な設計が施されている。

ハブ側はチタン製のT型ヘッド構造となっており、ハブフランジの専用スロットに正確に嵌合する。この構造は、スポークのねじれを完全に防止し、常に最適なエアロ形状を維持すると同時に、正確なテンション管理を可能にする。

スポーク自体の形状は、厚さ0.9mm、幅3.2mmという極めて薄い翼断面形状でありながら、1本あたりの重量は約1.8gと驚異的な軽さを実現している。これは従来世代から32%の軽量化に相当する。

このスポークの真価は、相反する要素である「剛性」と「快適性」の両立にある。高い引張強度を持つカーボン素材は、ホイール全体の横剛性を確保し、ペダリングパワーをロスなく推進力に変換する。

その一方で、最適化された薄いプロファイルは、路面からの微振動を吸収する適度なしなやかさ(垂直方向のコンプライアンス)を生み出し、長距離ライドでの快適性を向上させ、疲労を軽減する効果をもたらす。
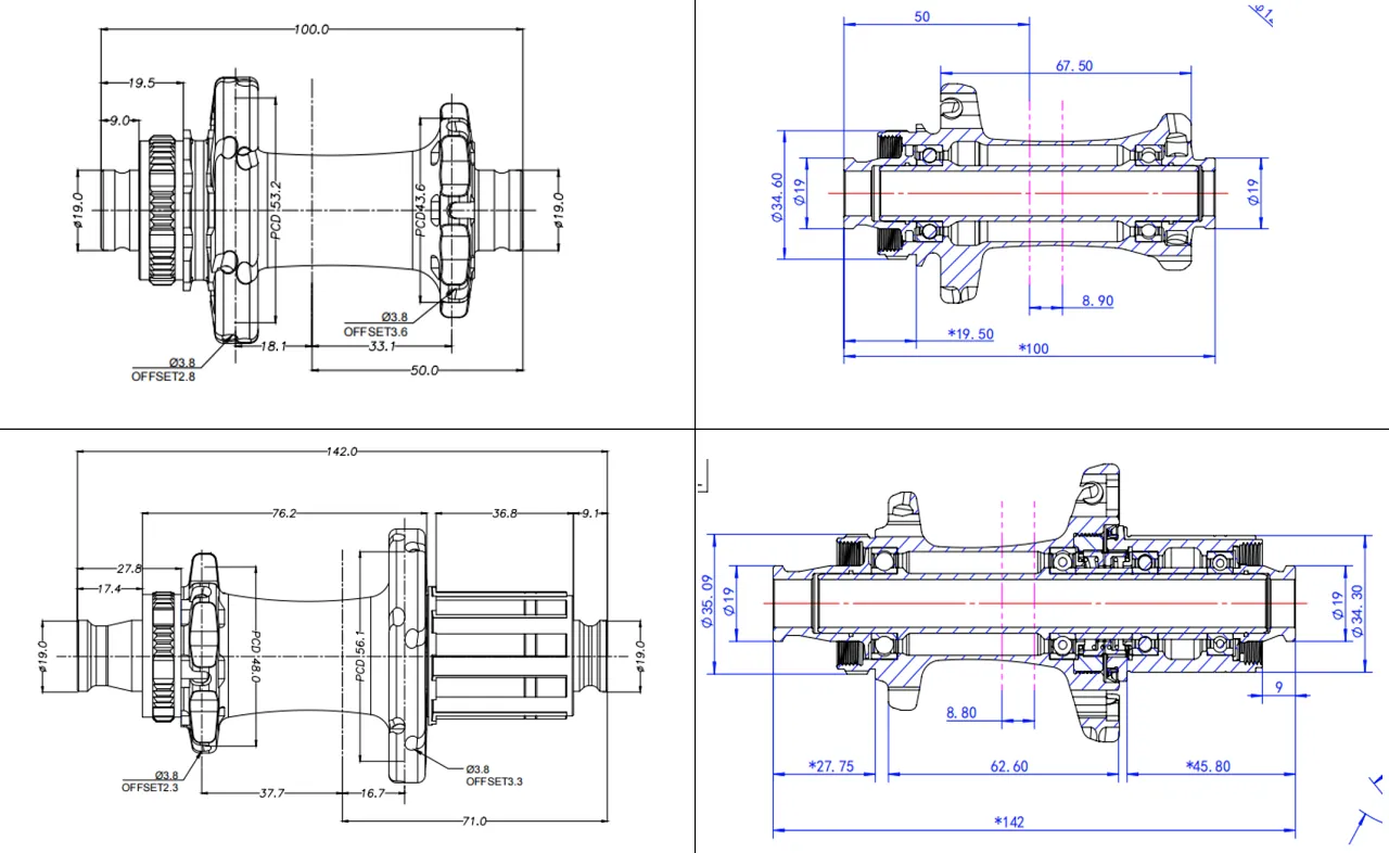
特許取得セラミックベアリングハブ

ホイールの心臓部であるハブには、Nepest独自の技術が投入されている。NP-C02と名付けられたこのハブは、プロチームでの採用実績もあるCEMA社製のセラミックベアリングを標準装備し、極めて滑らかな回転性能を誇る。

しかし、このハブの最大の特徴は、フランジ部分に組み込まれた特許取得済みの「脱落防止構造」である。この設計は、走行中の強い衝撃や変形によってスポークヘッドがフランジから外れてしまうという、カーボンスポークホイールにおける潜在的なリスクを構造的に排除するものである。

この安全性への配慮は、製品への信頼性を大きく高めている。フリーハブには、確実な動力伝達で定評のある36Tのスターラチェットシステムを採用しており、オプションで54Tへのアップグレードも可能だ。
また、スポークの組み方は、駆動側と反駆動側のテンションバランスを最適化する2:1レーシングパターンを採用。これにより、ホイール全体の耐久性と寿命を向上させている。
重量と製造品質:公称値と実測値
NOVA 35の公称重量は1180g ±30g、実測重量は1,169gだ。カタログ重量よりも11g軽い。この価格帯ではトップクラスの軽さを誇る。重要なのは、この公称値に対して実測重量が非常に正確である点だ。実測重量が公称値の範囲内、あるいはそれを下回るケースが多い。
例えば、NOVA 45(公称1220g)の実測値が1218gであった。製造プロセスにおける厳格な品質管理を示唆している。Nepestは、全てのホイールが熟練した職人による100%手組みであり、組み立て工程で厳密な品質チェックが行われることを強調している。

均一なスポークテンションやクリーンな製造品質が高く、その主張が裏付けられている。公称値と実測値の一致は、単なる数値以上の意味を持つ。それは、同社がOEM製造で培った高度な生産管理能力の証であり、製品全体の信頼性の高さを物語る重要な指標なのである。
モデル別性能比較:35, 45, X


Nepest NOVAシリーズは、ライダーの目的や好みに合わせて選択できるよう、複数のリムハイトを展開している。
ここでは、最軽量モデルのNOVA 35、オールラウンドモデルのNOVA 45、そして空力性能を追求したNOVA X (45/55mm) の3モデルを比較し、それぞれの技術的な違いが走行性能にどう結びつくのかを明らかにする。
| 技術仕様 | NOVA 35 | NOVA 45 | NOVA X (45/55) |
|---|---|---|---|
| リムハイト | 35mm / 35mm | 45mm / 45mm | 45mm / 55mm |
| リム内幅 / 外幅 | 23mm / 30mm | 23mm / 30mm | 23mm / 30mm |
| スポーク | VONOA 第4世代カーボン | VONOA 第4世代カーボン | VONOA 第4世代カーボン |
| ハブ | NP-C02 セラミック | NP-C02 セラミック | NP-C02 セラミック |
| 公称重量 | 1180 ± 30g | 1220 ± 30g | 1265 ± 30g |
| 価格(税込) | 約192,000円〜 | 約192,000円〜 | 約197,000円〜 |
| 主な特性 | 最軽量、最高の反応性、横風安定性 | 空力と重量のバランス、オールラウンド | 平坦巡航性能、剛性 |
重量と剛性がもたらす登坂性能の違い
登坂性能において、最も大きな影響を与えるのは重量、特に回転部分の重量である。
1180gという圧倒的な軽さを誇るNOVA 35は、この点で明確なアドバンテージを持つ。ダンシングのリズムが自然で取りやすく、リズミカルに坂を攻略できる。その反応は瞬時でありながら、過度な硬さはなく、踏み出しの軽さが際立つ。
一方、NOVA 45やNOVA Xは、リムハイトが高くなる分、重量が増加する。特にNOVA Xのリア55mmリムは、垂直方向の剛性が顕著に高まり、滑らかな路面では効率的な登坂を助けるが、荒れた路面では硬さを感じる可能性がある。
NOVA 45で登坂する際の感覚は「少し急かされている感じ」だ。NOVA 35のより自然なケイデンスとの違いがある。ホイール選択は単に軽さだけでなく、ライダーの登坂スタイルとの相性が重要となるだろう。
リムハイトが左右する空力と巡航性能
平坦路での高速巡航性能は、リムハイトによる空力効果が支配的となる。NOVA 35は、最新のエアロ形状とインナーニップルによって空力性能を高めているものの、35mmというリムハイトから得られる恩恵は、よりディープなモデルに比べると限定的である。
加速は鋭い一方で、ペダリングを止めると減速感がある。対照的に、NOVA 45やNOVA Xは、そのリムハイトを活かして優れた慣性モーメントを発揮する。NOVA 45は平坦での速度維持が容易であり、その巡航性能は50mmハイトのホイールに匹敵する。
NOVA Xは、この特性をさらに先鋭化させたモデルである。ハンドリングを考慮したフロント45mmと、慣性を最大化するリア55mmの組み合わせは、平坦路での持続的な高速走行を主眼に置いた設計思想の表れである。
横風安定性とハンドリングの特性
ディープリムホイールを選択する上で、最も重要なトレードオフとなるのが横風安定性である。この点において、NOVA 35の優位性は絶対的だ。
その低いリムプロファイルは、あらゆる状況下で横風の影響をほとんど受けない。「横風は全く気にならない」という感覚がそれを裏付けている。これはライダーに絶大な安心感を与える。
一方、NOVA 45は、性能のバランスが変化する分岐点となる。風速6〜7m/s程度の横風を受けると、軽量なフロントホイールが風に押され、ハンドルが取られる感覚がある。制御可能な範囲ではあるが、注意が必要となる。
NOVA 35の最大の利点は、その軽さだけでなく、あらゆる天候で予測可能かつ安定したハンドリング性能にあると言えるだろう。
実走インプレッション

技術仕様の分析は、ホイールのポテンシャルを理論的に理解する上で不可欠である。しかし、その真価は路上でどのように体感されるのかが最も重要だ。ここでは、NOVA 35がもたらす実際の走行体験を明らかにする。
異次元の軽さ:加速と反応性
NOVA 35を走らせるとわかるのは、その「強烈な軽さ」である。この感覚は、静止状態からの漕ぎ出しやコーナーの立ち上がりで、即座に体感できる。ペダルを踏み込んだ瞬間に、バイクがスッと前に出る鋭い加速感は踏み出しが軽く、初速が良い。
この極めて低い回転慣性は、バイク全体に生命感を吹き込み、乗り手を常にエネルギッシュな気分にさせる効果がある。加減速を繰り返すような状況でも、ライダーの意図に遅れることなく瞬時に応答するため、走ること自体がより楽しく、ダイナミックな体験へと昇華される。
「しなやかさ」の正体:快適性と疲労軽減

高性能なレーシングホイールでありながら、予想外の快適性がある。従来の硬質なカーボンスポークホイールにありがちな、路面からの突き上げ感が少なく、乗り心地はマイルドかつ足に優しい。
この特性の源泉は、前述したVONOA第4世代カーボンスポークの設計にある。高い横剛性でパワーを逃がさない一方、垂直方向には適度なしなやかさを持ち合わせているため、路面の凹凸から来る衝撃の角を丸め、ライダーへの負担を軽減する。
この絶妙なバランスにより、長距離を走っても疲労が蓄積しにくく、最後まで高いパフォーマンスを維持することが可能になる。
ダウンヒルとコーナリングでの挙動

下り坂やコーナーにおける挙動は、ホイールの総合力が試される場面である。NOVA 35は、軽量でありながら安定性に優れ、ライダーに高い安心感を提供する。
特に、横風の影響を全く受けない特性は、高速域でのダウンヒルにおいて大きなアドバンテージとなる。また、内幅23mmのワイドリムがタイヤをしっかりと支えるため、コーナリング時の接地感が高まり、バイクを倒し込みやすくなる。
興味深いことに、ディープリムではないにもかかわらず、下りの速度が非常に速い。これは、滑らかなセラミックベアリングの回転性能(と、思いたくはないが)と、インナーニップルによる空力効果(僅かであるとは思うが)が複合的に作用している可能性を示唆している。
Nepest NOVA 35のメリットとデメリット
あらゆる製品と同様に、Nepest NOVA 35にも特定の設計思想に基づく長所と短所が存在する。ここでは、これまでの分析を基に、そのメリットとデメリットを客観的に整理し、購入を検討する上での明確な判断基準を提供する。
メリット
- クラス最高の重量: 公称1180g(実測1,169g)という重量は、ヒルクライムや加減速の多いレースにおいて、ライダーに決定的なアドバンテージをもたらす。
- 卓越した反応性と加速性能: 極めて低い慣性モーメントにより、ペダリングに対する応答が非常に速く、鋭い加速感を提供。バイクの操作をよりダイレクトで楽しいものにする。
- 革新的な快適性: 第4世代VONOAカーボンスポークがもたらす垂直方向のしなやかさは、従来のカーボンスポークの硬質なイメージを覆し、長距離走行での疲労を大幅に軽減する。
- 絶対的な横風安定性: 35mmのリムハイトは、あらゆる風速域でハンドリングを乱されることがなく、ライダーに高い安心感と、天候に左右されない走行の自由を与える。
- 高い製造品質と信頼性: 精度の高い手組み、公称値を下回ることもある実測重量、そして特許取得のハブ構造など、価格帯を超える品質とエンジニアリングへのこだわりが見られる。
デメリット
- 限定的な空力性能: 35mmというリムハイトは、45mm以上のディープリムと比較して、平坦路での高速巡航における空力的な恩恵が少ない。速度維持には、より継続的なペダリングが求められる。
- 高剛性を求めるライダーには不向きな可能性: 快適性を両立させた「しなやかさ」は、ゴールスプリントなどで絶対的な剛性感やダイレクトな踏み応えを最優先する一部のパワフルなライダーには、物足りなく感じられる可能性がある。
- メンテナンスの特殊性: インナーニップル(隠しニップル)の振れ取り調整には専用工具が必要であり、作業の際にはタイヤとリムテープを剥がす必要があるため、従来の外部ニップルに比べてメンテナンス性は低い。
最適な用途とライダープロファイル
Nepest NOVA 35の特性を理解した上で、このホイールがどのような状況で最もその性能を発揮するのか、そしてどのようなライダーにとって最適な選択となるのかを具体的に考察する。
NOVA 35が輝くレースシナリオ
このホイールの特性は、特定のレースシナリオにおいて強力な武器となる。
- ヒルクライムレース: 軽量性が最も直接的にアドバンテージとなる舞台。勾配が変化するセクションでの素早い反応や、ゴール前のスパートでその真価を発揮する。
- クリテリウム: コーナーからの立ち上がり加速が勝敗を分けるクリテリウムでは、低いイナーシャによる鋭い加速性能が決定的な差を生む。
- テクニカルなロードレース: 頻繁なアタック合戦や、カーブが連続するコースレイアウトで、その優れた反応性が光る。また、強風が吹くコンディションのレースでは、他を圧倒するハンドリングの安定性が大きな武器となる。
ロングライドやヒルクライムでの適合性
レースだけでなく、多様なサイクリングシーンでNOVA 35はその魅力を発揮する。
- 山岳グランフォンド: 長い登坂区間での軽量性と、長丁場での疲労を軽減する快適性の両立は、獲得標高の大きい山岳系ロングライドイベントに理想的である。
- 一般的なサイクリスト: 週末のサイクリングやトレーニングを楽しむホビーライダーにとって、バイクの反応性を劇的に高め、乗り心地を向上させるアップグレードとして最適。性能と快適性のバランスが非常に優れている。
- 軽量なライダー: 体重が軽いライダーは横風の影響を受けやすいため、NOVA 35の絶対的な安定性は、どのようなコンディションでも安心してライディングに集中できるという大きなメリットを提供する。
まとめ:次世代軽量ホイールの指標
Nepest NOVA 35は、単なる軽量ホイールというカテゴリーには収まらない、極めてバランスの取れた高性能ホイールセットである。
それは、相反する性能要件である「軽量性」「剛性」「快適性」「安定性」を、高度なエンジニアリングによって見事に調和させた製品だ。1180gという数値を達成しながら、従来の軽量ホイールが抱えがちだった過度な硬さや、神経質なハンドリングといった弱点を克服している点は特筆に値する。
この成功の鍵は、間違いなく第4世代VONOAカーボンスポークの革新的な設計にある。横方向の剛性を確保しつつ、垂直方向の柔軟性を持たせることで、ダイレクトな反応性と優れた快適性という、これまで両立が困難とされてきた特性を一つの製品に内包させた。
平坦路での究極的な空力性能ではディープリムに一歩譲るものの、その万能性、信頼性の高い安定性、そして特筆すべき快適性は、ヒルクライムからロングライドまで、非常に幅広いライダーと用途にとって最適な選択肢となり得る。
Nepest NOVA 35は、消費者直販市場における新たな指標である。そこでは、もはや価格競争だけでなく、緻密なエンジニアリングと高品質な製造技術が、既存のトップブランドと真正面から競い合っている。このホイールは、その最たる例と言えるだろう。
動的応答性、登坂性能、そして全天候型の安定性をライダーにとって、Nepest NOVA 35は真剣な検討に値する。その性能特性は、風洞実験の数値だけを追い求めるのではなく、実際の走行環境での応用を深く見据えた設計思想を物語っている。
あなたの次なるコンポーネント選定、あるいは機材更改サイクルにおいて、このホイールが示すエンジニアリングの原則を評価することは、高性能ホイール設計の未来の方向性を見極める上で、価値ある洞察をもたらすだろう。

クーポンコード『8Nepest』で割引になる。









